Introduction
Special diagnostic software for Jungheinrich forklifts, support for Jungheinrich trucks and other handling equipment.
Feature
-
-
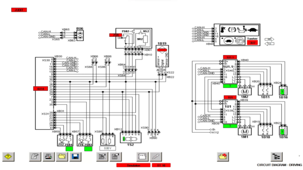
- Complete System Diagnostics: Read and clear fault codes (DTCs) across all electronic modules, including Drive, Lift, and Steering controllers.
- Parameter Adjustment: Modify performance settings such as travel speed, acceleration curves, and hydraulic lift limits.
- Advanced Calibration: Calibrate joysticks, steering sensors, and tilt sensors for maximum precision and safety.
- Component Testing: Run bi-directional tests to verify the operation of contactors, motors, and hydraulic valves.
- Service Interval Reset: Track and reset maintenance timers and service reminders.
- Software Flashing: Update controller firmware to the latest factory versions to enhance reliability.
-
Compatible Vehicles

![JUNGHEINRICH JETI JUDIT 4.037.00009 [10.2024] jungheinrich jeti judit 4.037.00009 [10.2024]](https://autosoftwaretuning.com/wp-content/uploads/2026/04/JETI-JUDIT-BOX.png)
![jungheinrich jeti judit 4.037.00009 [10.2024]](https://autosoftwaretuning.com/wp-content/uploads/2026/04/1-4-600x337.png)
![jungheinrich jeti judit 4.037.00009 [10.2024]](https://autosoftwaretuning.com/wp-content/uploads/2026/04/2-4-600x337.png)
![jungheinrich jeti judit 4.037.00009 [10.2024]](https://autosoftwaretuning.com/wp-content/uploads/2026/04/3-5-600x337.png)
![jungheinrich jeti judit 4.037.00009 [10.2024]](https://autosoftwaretuning.com/wp-content/uploads/2026/04/4-4-600x337.png)
![jungheinrich jeti judit 4.037.00009 [10.2024]](https://autosoftwaretuning.com/wp-content/uploads/2026/04/5-3-600x337.png)
![jungheinrich jeti judit 4.037.00009 [10.2024] jungheinrich jeti judit 4.037.00009 [10.2024]](https://autosoftwaretuning.com/wp-content/uploads/2026/04/JETI-JUDIT-BOX-100x100.png)
![jungheinrich jeti judit 4.037.00009 [10.2024] jungheinrich jeti judit 4.037.00009 [10.2024]](https://autosoftwaretuning.com/wp-content/uploads/2026/04/1-4-100x100.png)
![jungheinrich jeti judit 4.037.00009 [10.2024] jungheinrich jeti judit 4.037.00009 [10.2024]](https://autosoftwaretuning.com/wp-content/uploads/2026/04/2-4-100x100.png)
![jungheinrich jeti judit 4.037.00009 [10.2024] jungheinrich jeti judit 4.037.00009 [10.2024]](https://autosoftwaretuning.com/wp-content/uploads/2026/04/3-5-100x100.png)
![jungheinrich jeti judit 4.037.00009 [10.2024] jungheinrich jeti judit 4.037.00009 [10.2024]](https://autosoftwaretuning.com/wp-content/uploads/2026/04/4-4-100x100.png)
![jungheinrich jeti judit 4.037.00009 [10.2024] jungheinrich jeti judit 4.037.00009 [10.2024]](https://autosoftwaretuning.com/wp-content/uploads/2026/04/5-3-100x100.png)
![linde pathfinder 36.2.11 [2020.01] (copy)](https://autosoftwaretuning.com/wp-content/uploads/2026/04/LINDE-LSG-BOX-300x300.png)
![knorr bremse neo green 13.0 [2019] (copy)](https://autosoftwaretuning.com/wp-content/uploads/2026/04/LINDE-PATHFINDER-BOX-300x300.png)

![chrysler fca epc 4.2.1.0 [2023.06] (copy)](https://autosoftwaretuning.com/wp-content/uploads/2026/04/CLARK-FORKLIFT-PARTS-PRO-PLUS-BOX-300x300.png)